
Art.Nr.: N-8000334534
10 mm (3/8")-Vierkantantrieb · 6-kant · HPQ-Hochleistungsstahl · verchromt · gerändelt
Weitere technische Eigenschaften
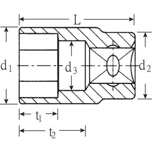
· Material: HPQ-Hochleistungsstahl · d1: 28,7mm · d2: 21mm · d3: 21mm · Gewicht: 59g · t1: 17mm · t2: 21,2mm · Steckschlüsseleinsatz 456 · 22 3/8 Zoll 6 kant SW · 22mm L.35mm STAHLWILLE · DIN 3124/ISO 2725-1, ASME B 107.5M, DIN EN 3709 ·
Technische Daten
| Schlüsselweite | 22 mm |
| Länge | 35 mm |
| Oberfläche | verchromt |
| Antriebsvierkant mm | 10 mm |
| Marke | STAHLWILLE |
| Ausführung | 6 kant |
| Antriebsvierkant | 3/8 ? |
| Norm | DIN 3124, ISO 2725-1, ASME B 107.5M, DIN EN 3709 |
Stahlwille Eduard Wille GmbH & Co. KG · Lindenallee 27 · 42349 Wuppertal · Deutschland · info@stahlwille.de
UVP 162,94 EUR
YOUR_PRICE102,90 EUR
zzgl. 19 % MwSt. zzgl. Versandkosten
10,29 EUR pro