
Art.Nr.: N-8000466402
6,3 mm (1/4 ?)-Vierkantantrieb · für Schrauben mit Kreuzschlitz (PH) · CV-Stahl · gerändelt · TIN beschichtet
Weitere technische Eigenschaften
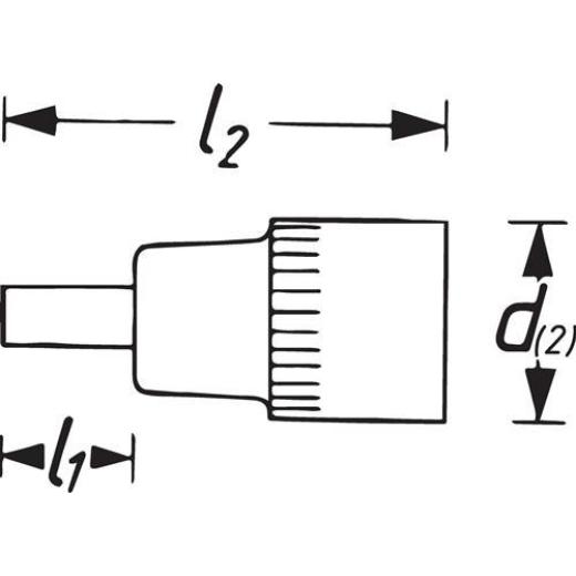
· Material: CV-Stahl · Steckschlüsseleinsatz · 8506 1/4 Zoll PH PH 2 · L.28mm HAZET · Spitze nach ISO 8764-1 ·
Technische Daten
| Größe | PH 2 |
| Länge | 28 |
| Oberfläche | TIN-beschichtet |
| Antriebsvierkant mm | 6,3 |
| Ausführung | PH |
| Antriebsvierkant | 1/4 |
| Marke | HAZET |
Hazet-Werk Hermann Zerver GmbH & Co. KG · Güldenwerther Bahnhofstr. 25-29 · 42857 Remscheid · Deutschland · info@hazet.de
UVP 22,61 EUR
YOUR_PRICE10,10 EUR
zzgl. 19 % MwSt. zzgl. Versandkosten