
Art.Nr.: N-8000466504
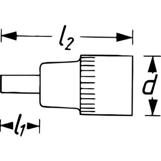
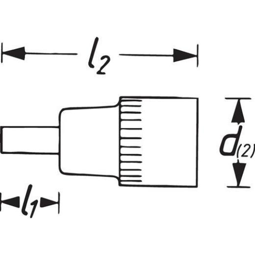
10 mm (3/8 ”)-Vierkantantrieb · für Schrauben mit Innen-TORX®-Profil · Klinge Sonderstahl · Einsatz TIN beschichtet · gerändelt
Weitere technische Eigenschaften
· Material: Klinge Sonderstahl · Steckschlüsseleinsatz · 8802-T15 3/8 Zoll 6-kant · SW T45 L.43,5mm HAZET ·
Technische Daten
| Schlüsselweite | T45 |
| Länge | 43,5 |
| Oberfläche | TIN-beschichtet |
| Antriebsvierkant mm | 10 |
| Marke | HAZET |
| Ausführung | 6-kant |
| Antriebsvierkant | 3/8 |
Hazet-Werk Hermann Zerver GmbH & Co. KG · Güldenwerther Bahnhofstr. 25-29 · 42857 Remscheid · Deutschland · info@hazet.de
UVP 28,49 EUR
YOUR_PRICE14,70 EUR
zzgl. 19 % MwSt. zzgl. Versandkosten