
Art.Nr.: N-8000466700
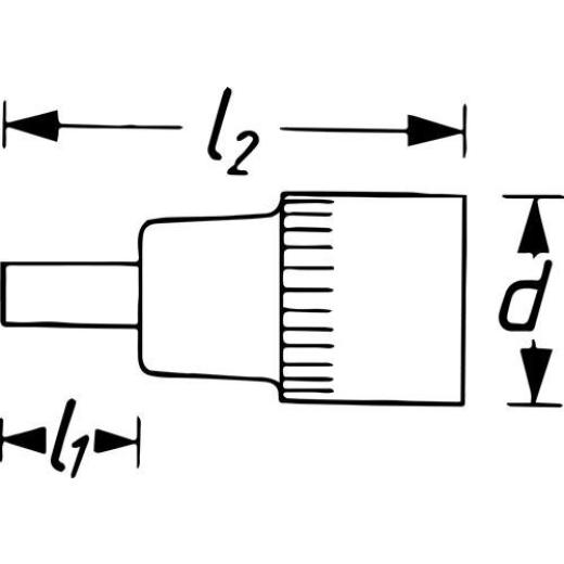
12,5 mm (1/2 ?)-Vierkantantrieb · für Schrauben mit Innenvielzahn-Profil · Sockel aus Spezialstahl · Klinge Sonderstahl · TIN beschichtet
Weitere technische Eigenschaften
· Material: Klinge Sonderstahl · Steckschlüsseleinsatz · 990LG-6 1/2 Zoll · Innen-Vielzahn M6 L.100mm ·
Technische Daten
| Größe | M6 |
| Länge | 100 |
| Oberfläche | TiN-beschichtet |
| Antriebsvierkant mm | 12,5 |
| Ausführung | Innen-Vielzahn |
| Antriebsvierkant | 1/2 |
| Marke | HAZET |

Hazet-Werk Hermann Zerver GmbH & Co. KG · Güldenwerther Bahnhofstr. 25-29 · 42857 Remscheid · Deutschland · info@hazet.de
UVP 42,77 EUR
YOUR_PRICE23,90 EUR
zzgl. 19 % MwSt. zzgl. Versandkosten