
Art.Nr.: N-4000833141
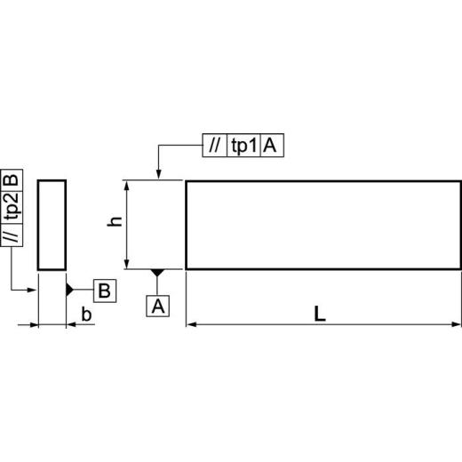
Superpräzision · paarweise planparallel feingeschliffen · einsatzgehärtet · Paartoleranz in der Höhe tp2 und Breite tp1 nach IT 5 · Nennmaßtoleranz in der Höhe und Breite nach DIN ISO 2768m · restliche Maße nach DIN ISO 2768m · Größenangaben auf dem Produkt
Weitere technische Eigenschaften
· b: 2,5mm · L: 63mm · h: 8mm · Paar Toleranz: tp1: 0,006 mm / tp2: 0,004 mm · Parallelunterlagenpaar · DIN 6346P H8xB2,5xL63mm · Superpräzision AMF ·
Anwendung: Die Parallelstücke werden als Unterlage, Anschläge oder Zwischenlagen auf Werkzeugmaschinen sowie zur parallelen Auflage von Werkstücken auf Maschinenschraubstöcken und Anreißplatten verwendet. Verwendung flach oder hochkant möglich. ·
Technische Daten
| Nennmaßtoleranz | 1: ± 0,2 mm / 2: ± 0,1 mm |
| Breite | 2,5 mm |
| Länge | 63 mm |
| Ausführung | Superpräzision |
| Höhe | 8 mm |
| Marke | AMF |
Andreas Maier GmbH & Co. KG Schloss- u. Werkzeugfabrik · Waiblinger Str. 116 · 70734 Fellbach · Deutschland · amf@amf.de
UVP 122,61 EUR
YOUR_PRICE76,90 EUR
zzgl. 19 % MwSt. zzgl. Versandkosten