
Art.Nr.: N-4000832634
ohne Sicherheitskupplung · Einsätze in denen die Gewindebohrer über die Schnellspanneinrichtung gehalten werden · die Drehmomentübertragung erfolgt über den Schaft-Vierkant · für unterschiedliche Schaftmaße sind verschiedene Einsätze erforderlich
Weitere technische Eigenschaften
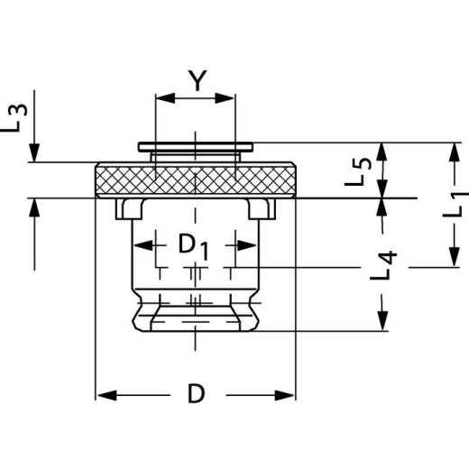
· L5: 7mm · D: 30mm · L4: 21,5mm · D1: 19mm · Schnellwechseleinsatz SE · 3,5mmx2,7mm Gr.1 f.DIN · 371 M3 f.DIN 374/376 M5 ·
Technische Daten
| Größe | 1 |
| Schaft-Ø | 3,5 |
| Vierkant | 2,7 |
| für DIN 371 | M3 |
| für DIN 374/376 | M5 |
| Ausführung | ohne Sicherheitskupplung |
Werner Wilke Zerspanungstechnik GmbH · Eschborner Str. 4 · 65824 Schwalbach · Deutschland · info@wilke-tools.de
UVP 34,37 EUR
YOUR_PRICE19,90 EUR
zzgl. 19 % MwSt. zzgl. Versandkosten