
Art.Nr.: N-4000833146
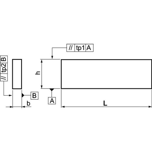
Superpräzision · paarweise planparallel feingeschliffen · einsatzgehärtet · Paartoleranz in der Höhe tp2 und Breite tp1 nach IT 5 · Nennmaßtoleranz in der Höhe und Breite nach DIN ISO 2768m · restliche Maße nach DIN ISO 2768m · Größenangaben auf dem Produkt
Weitere technische Eigenschaften
· b: 4mm · L: 100mm · h: 12mm · Paar Toleranz: tp1: 0,008 mm / tp2: 0,005 mm · Parallelunterlagenpaar · DIN 6346P H12xB4xL100mm · Superpräzision AMF ·
Anwendung: Die Parallelstücke werden als Unterlage, Anschläge oder Zwischenlagen auf Werkzeugmaschinen sowie zur parallelen Auflage von Werkstücken auf Maschinenschraubstöcken und Anreißplatten verwendet. Verwendung flach oder hochkant möglich. ·
Technische Daten
| Nennmaßtoleranz | 1: ± 0,2 mm / 2: ± 0,1 mm |
| Breite | 4 mm |
| Länge | 100 mm |
| Ausführung | Superpräzision |
| Höhe | 12 mm |
| Marke | AMF |
Andreas Maier GmbH & Co. KG Schloss- u. Werkzeugfabrik · Waiblinger Str. 116 · 70734 Fellbach · Deutschland · amf@amf.de
UVP 141,93 EUR
YOUR_PRICE87,90 EUR
zzgl. 19 % MwSt. zzgl. Versandkosten