
Art.Nr.: N-4000603411
zur Befestigung des Spannkettensatzes Nr. 6540 auf dem Maschinentisch · bestehend aus Mutter für T-Nute, ähnl. DIN 508 und Schraube ISO 4762 · Festigkeitsklasse 8.8
Weitere technische Eigenschaften
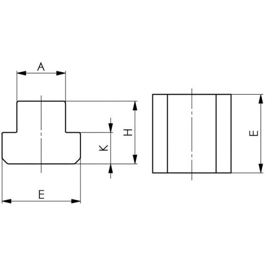
· A: 15,7mm · D: M12 · passend zu: Spannkettensatz · K: 9mm · E: 25mm · H: 18mm · Befestigung f.T-Nuten · Nr.6541 M12x16mm · z.Spannkettensatz AMF ·
Technische Daten
| T-Nut | 16 mm |
| Marke | AMF |
Andreas Maier GmbH & Co. KG Schloss- u. Werkzeugfabrik · Waiblinger Str. 116 · 70734 Fellbach · Deutschland · amf@amf.de
UVP 21,76 EUR
YOUR_PRICE9,30 EUR
zzgl. 19 % MwSt. zzgl. Versandkosten