
Art.Nr.: N-4000603045
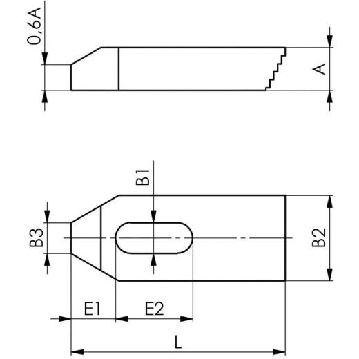
mit Treppenzähnen · nur passend zu gezahnten Spannunterlagen Nr. 6500E · die lange Ausführung ist vorgesehen für große Spannweiten durch breite Nutabstände oder größere Spanntiefe am Werkstück, z.B. auf Graviermaschinen
Weitere technische Eigenschaften
· Breite: 20 mm · Länge: 80 mm · A: 10mm · B1: 6,6mm · B2: 20mm · E2: 45mm · E1: 10mm · Gewicht: 90g · L: 80mm · Stärke: 10 mm · Schlitzbreite: 6,6 mm · B3: 8mm · Spanneisen Nr.6314Z · f.T-Nut 6mm L.80mm AMF ·
Technische Daten
| für T-Nut | 6 mm |
| für Spannschraube | M6 |
| Modell | Nr. 6314Z |
| Bauform | mit Treppenzähnen |
| Schlitzlänge | 45 mm |
| Marke | AMF |
Andreas Maier GmbH & Co. KG Schloss- u. Werkzeugfabrik · Waiblinger Str. 116 · 70734 Fellbach · Deutschland · amf@amf.de
UVP 41,93 EUR
YOUR_PRICE23,90 EUR
zzgl. 19 % MwSt. zzgl. Versandkosten