
Art.Nr.: N-4000603325
gestanzt, gepresst und vergütet · durch den großen Durchmesser eignet sich diese Kegelpfanne besonders zum Spannen über den Schlitz bei Spanneisen
Weitere technische Eigenschaften
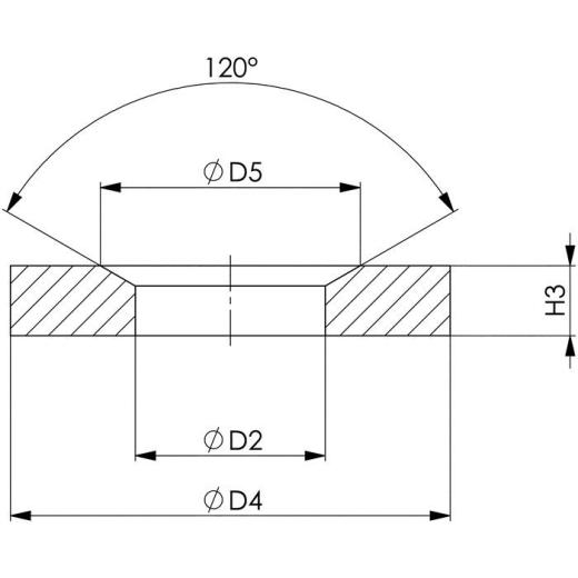
· D4: 68mm · D2: 35mm · Kegelwinkel: 120° · H3: 10mm · Kegelpfanne DIN 6319G · f.Schrauben M30 · Bohrungs-D.35mm ·
Anwendung: Kugelscheiben und Kegelpfannen dienen zur Übertragung von Spannkräften in den Fällen, in denen Spannelemente sich an unebene Spannflächen anpassen sollen. Die Paarung von Kugelscheiben bzw. Muttern DIN 6330 mit Kegelpfannen ermöglicht ein Ausschwenken des zugehörigen Spannbolzens um 3° ·
Technische Daten
| für Schrauben | M30 |
| Bohrungs-Ø | 35 mm |
| Marke | AMF |
Andreas Maier GmbH & Co. KG Schloss- u. Werkzeugfabrik · Waiblinger Str. 116 · 70734 Fellbach · Deutschland · amf@amf.de
UVP 31,85 EUR
YOUR_PRICE16,90 EUR
zzgl. 19 % MwSt. zzgl. Versandkosten