
Art.Nr.: N-4000833152
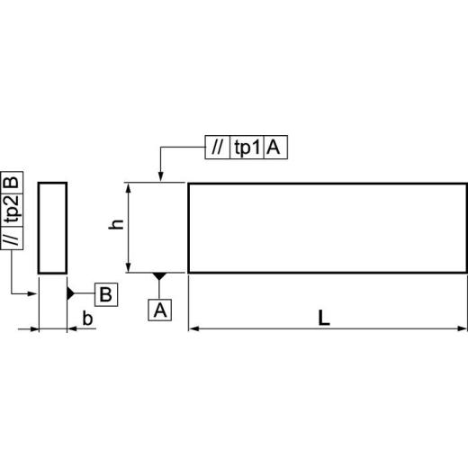
Superpräzision · paarweise planparallel feingeschliffen · einsatzgehärtet · Paartoleranz in der Höhe tp2 und Breite tp1 nach IT 5 · Nennmaßtoleranz in der Höhe und Breite nach DIN ISO 2768m · restliche Maße nach DIN ISO 2768m · Größenangaben auf dem Produkt
Weitere technische Eigenschaften
· b: 8mm · L: 160mm · h: 25mm · Paar Toleranz: tp1: 0,009 mm / tp2: 0,006 mm · Parallelunterlagenpaar · DIN 6346P H25xB8xL160mm · Superpräzision AMF ·
Anwendung: Die Parallelstücke werden als Unterlage, Anschläge oder Zwischenlagen auf Werkzeugmaschinen sowie zur parallelen Auflage von Werkstücken auf Maschinenschraubstöcken und Anreißplatten verwendet. Verwendung flach oder hochkant möglich. ·
Technische Daten
| Nennmaßtoleranz | 1: ± 0,2 mm / 2: ± 0,2 mm |
| Breite | 8 mm |
| Länge | 160 mm |
| Ausführung | Superpräzision |
| Höhe | 25 mm |
| Marke | AMF |
Andreas Maier GmbH & Co. KG Schloss- u. Werkzeugfabrik · Waiblinger Str. 116 · 70734 Fellbach · Deutschland · amf@amf.de
UVP 197,40 EUR
YOUR_PRICE122,90 EUR
zzgl. 19 % MwSt. zzgl. Versandkosten