
Art.Nr.: N-4000603562
abgesetzt · mit verstellbarer Stütz- und Spannschraube
Weitere technische Eigenschaften
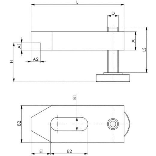
· Breite: 40 mm · Länge: 100 mm · A: 20mm · B1: 14mm · B2: 40mm · E2: 40mm · D: M12 · E1: 21mm · Gewicht: 764g · A2: 10mm · ähnl. DIN 6314 B1 x L: 14 x 100mm · L: 100mm · Stärke: 20 mm · LS: 49mm · A1: 8mm · Schlitzbreite: 14 mm · H: 10 - 46mm · Spanneisen Nr.6314AV · f.T-Nut 14mm L.100mm · Spannschraube ·
Hinweis: Maß H: Abhängig von Nutentiefe nach DIN 650, sowie Einschraublänge der Mutter. Die niedrigste Spannhöhe wird durch Umdrehen des Spanneisens erreicht. Spanneisen ohne Spannschraube sind in den Größen 12 und 14, 16 und 18 sowie 20 und 22 je eine Größe.
Technische Daten
| für T-Nut | 14 mm |
| Spannschraube | M12 x 14 x 100 mm |
| Modell | Nr. 6314AV |
| Bauform | abgesetzt |
| Schlitzlänge | 40 mm |
| Marke | AMF |
Andreas Maier GmbH & Co. KG Schloss- u. Werkzeugfabrik · Waiblinger Str. 116 · 70734 Fellbach · Deutschland · amf@amf.de
UVP 65,46 EUR
YOUR_PRICE45,90 EUR
zzgl. 19 % MwSt. zzgl. Versandkosten