
Art.Nr.: N-4000603566
abgesetzt · mit verstellbarer Stützschraube
Weitere technische Eigenschaften
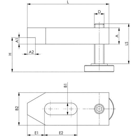
· Breite: 50 mm · Länge: 125 mm · A: 25mm · B1: 18mm · B2: 50mm · E2: 45mm · D: M16 · E1: 26mm · Gewicht: 1140g · A2: 12,5mm · ähnl. DIN 6314 B1 x L: 18 x 125mm · L: 125mm · Stärke: 25 mm · LS: 55mm · A1: 10mm · Schlitzbreite: 18 mm · H: 13 - 62mm · Spanneisen Nr.6314AV · f.T-Nut 16+18mm L.125mm · AMF ·
Hinweis: Maß H: Abhängig von Nutentiefe nach DIN 650, sowie Einschraublänge der Mutter. Die niedrigste Spannhöhe wird durch Umdrehen des Spanneisens erreicht. Spanneisen ohne Spannschraube sind in den Größen 12 und 14, 16 und 18 sowie 20 und 22 je eine Größe.
Technische Daten
| für T-Nut | 16 + 18 mm |
| für Spannschraube | M16 |
| Modell | Nr. 6314AV |
| Bauform | abgesetzt |
| Schlitzlänge | 45 mm |
| Marke | AMF |
Andreas Maier GmbH & Co. KG Schloss- u. Werkzeugfabrik · Waiblinger Str. 116 · 70734 Fellbach · Deutschland · amf@amf.de
UVP 70,50 EUR
YOUR_PRICE46,90 EUR
zzgl. 19 % MwSt. zzgl. Versandkosten