
Art.Nr.: N-4000603582
abgesetzt · mit verstellbarer Stützschraube
Weitere technische Eigenschaften
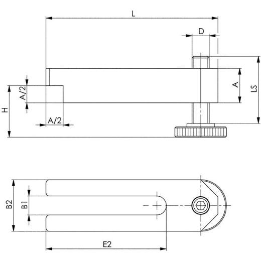
· Breite: 50 mm · Länge: 160 mm · A: 30mm · B1: 18mm · B2: 50mm · E2: 110mm · D: M16 · Gewicht: 1300g · ähnl. DIN 6315 B B1 x L: 18 x 160mm · L: 160mm · Stärke: 30 mm · LS: 55mm · Schlitzbreite: 18 mm · H: 13 - 67mm · Spanneisen Nr.6315V · f.T-Nut 16+18mm L.160mm · AMF ·
Hinweis: Maß H: Abhängig von Nutentiefe nach DIN 650 sowie Einschraublänge der Mutter. Die niedrigste Spannhöhe wird durch Umdrehen des Spanneisens erreicht.
Technische Daten
| für T-Nut | 16 + 18 mm |
| für Spannschraube | M16 |
| Spannhöhe | 13 - 67 mm |
| Modell | Nr. 6315V |
| Bauform | abgesetzt |
| Schlitzlänge | 110 mm |
| Marke | AMF |
Andreas Maier GmbH & Co. KG Schloss- u. Werkzeugfabrik · Waiblinger Str. 116 · 70734 Fellbach · Deutschland · amf@amf.de
UVP 88,99 EUR
YOUR_PRICE59,90 EUR
zzgl. 19 % MwSt. zzgl. Versandkosten