
Art.Nr.: N-4000832692
mit einstellbarer Sicherheitskupplung für Drehmomentbegrenzung · zur Vermeidung von Gewindebohrerbruch · die Drehmomentübertragung erfolgt über den Schaft-Vierkant · für unterschiedliche Schaftmaße sind verschiedene Einsätze erforderlich
Weitere technische Eigenschaften
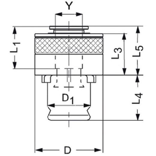
· L5: 45mm · D: 72mm · L4: 55,5mm · D1: 48mm · Schnellwechseleinsatz SES · 25mmx20mm Gr.3 f.DIN · 374/376 M33 ·
Technische Daten
| Größe | 3 |
| Schaft-Ø | 25 |
| Vierkant | 20 |
| für DIN 374/376 | M33 |
| Ausführung | mit Sicherheitskupplung |
Werner Wilke Zerspanungstechnik GmbH · Eschborner Str. 4 · 65824 Schwalbach · Deutschland · info@wilke-tools.de
UVP 191,51 EUR
YOUR_PRICE118,90 EUR
zzgl. 19 % MwSt. zzgl. Versandkosten