
Art.Nr.: N-4000604373
schwer · mit waagrechtem Fuß · geriebene und einsatzgehärtete Lagerbuchsen · gehärtete, geschliffene und dauerhaft gefettete Bolzen · Klemmmutter am Hebelarm für einstellbare Gängigkeit · Werkstoff: Stahl, brüniert · Hebelarm aus Stahlguss, brüniert
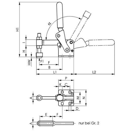
Weitere technische Eigenschaften
· A: 12,2mm · C: 55mm · D: 12,5mm · L2: 203mm · HW min.: -10mm · L1: 226mm · HW max.: 41mm · H1: 303mm · F1: 12kN · Bohrungs-Ø: 12,5 mm · a*: 120° · I: 36mm · F: 120mm · B: 151mm · P: 95mm · Eigenschaft: schwer · K: 20mm · M: 75mm · H: 71mm · N: 108mm · Spannweite: · Senkrechtspanner Nr.6811P · Gr.8 waagrechter Fuß · schwer AMF ·
Hinweis: Diese schweren Senkrechtspanner eignen sich besonders für den Betriebsmittel- oder Vorrichtungsbau
Technische Daten
| Größe | 8 |
| Andrückschraube | M12 x 110 |
| Höhe gespannt | 303 mm |
| Spannhöhe | 71 mm |
| Fußgröße | 108 x 95 |
| Haltekraft F1 | 12 kN |
| Bauart | waagrechter Fuß |
| Länge geöffnet | 226 x 203 |
| Marke | AMF |
Andreas Maier GmbH & Co. KG Schloss- u. Werkzeugfabrik · Waiblinger Str. 116 · 70734 Fellbach · Deutschland · amf@amf.de
UVP 304,96 EUR
YOUR_PRICE224,90 EUR
zzgl. 19 % MwSt. zzgl. Versandkosten