EG = ohne Aussenkung, mit geraden Schlitz
Material: Federstahl
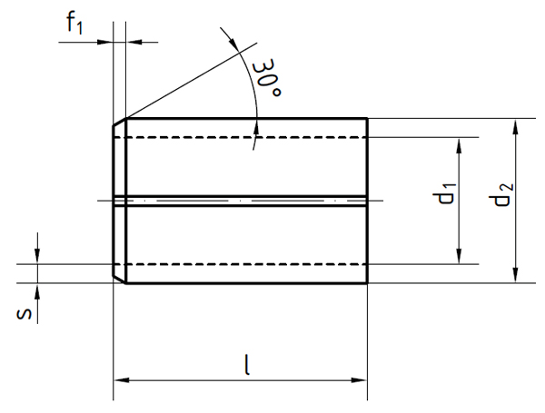
Technische Daten:

| Maße | 16 | 20 | 25 | 25 | 25 | 28 |
| d 2 | 20 | 26 | 32 | 32 | 32 | 35 |
| l | 20 | 20 | 20 | 28 | 30 | 25 |
| s | 2 | 3 | 3,5 | 3,5 | 3,5 | 3,5 |
| f 1 | 1,5 | 2 | 2 | 2 | 2 | 2 |
| Maße | 30 | 40 | 40 | 40 | 50 | |
| d 2 | 38 | 50 | 50 | 50 | 60 | |
| l | 25 | 25 | 30 | 40 | 50 | |
| s | 4 | 5 | 5 | 5 | 6 | |
| f 1 | 2 | 2,5 | 2,5 | 2,5 | 2,5 |
Angaben zur Produktsicherheit - Hier klicken für mehr Infos
Diesen Artikel haben wir am 09.10.2023 in unseren Katalog aufgenommen.