
Anwendungen
Baustoffe
Technische Daten
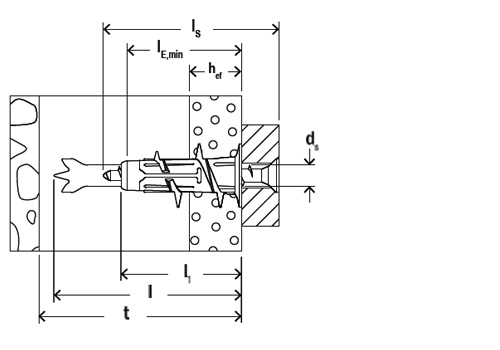
| Min. Dicke bis zur ersten Tragschicht | t | 50 | [mm] |
| Dübellänge | l | 44 | [mm] |
| Dübellänge ohne Bohrspitze | l1 | 29 | [mm] |
| Verankerungstiefe | hef | 9,5 - 25 | [mm] |
| Min. Einschraubtiefe | IE,min | 28 | [mm] |
| Spanplatten-/ Holzschrauben | ds / ds x ls | 4,5 x 40 | [mm] |
| Antrieb | PZ | PZ2 | |
Angaben zur Produktsicherheit - Hier klicken für mehr Infos
Diesen Artikel haben wir am 08.01.2024 in unseren Katalog aufgenommen.