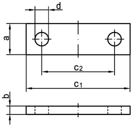
Breite x Dicke
Achshalter für Hebezeuge - Stahl
Technische Daten:

| Maße | 20 x 5 | 25 x 6 | 30 x 8 | 40 x 10 | 50 x 12 |
|---|---|---|---|---|---|
| c? | 60 | 80 | 100 | 140 | 190 |
| c? | 36 | 50 | 70 | 100 | 140 |
| d | 9 | 11 | 13 | 17 | 21 |
| für Achs-Ø | 16 – 25 | 25 – 40 | 40 – 63 | 63 – 100 | 100 – 160 |
Werte in mm
Diesen Artikel haben wir am 07.12.2025 in unseren Katalog aufgenommen.